

Profesionales especializados de reconocida trayectoria en la industria.
Los años y vicisitudes nos brindan conciencia de las necesidades del cliente.
Ofrecemos soluciones de calidad.
INGENIERÍA
Estudios de factibilidad.
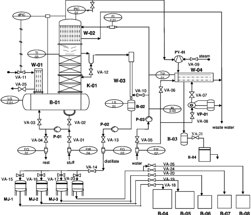
Diseño de plantas con distintas tecnologías.
Investigación de procesos y selección de equipos idóneos para las particularidades en sitio remoto.
Estabilización y optimización de procesos.
Reducción de costos.
Desarrollo de sistemas de control de proceso y salas de control.
Operaciones y producción.


PROCESOS
Desarrollo y estudio de viabilidad de proyectos de ingeniería.
Ingeniería básica y de detalle.
Desarrollo y procesos químicos.
Reingeniería y optimización de procesos industriales.
Montaje y puesta en marcha de maquinaria y plantas.
Aumento de capacidad productiva y reducción de consumos.
SERVICIOS INDUSTRIALES AL PETRÓLEO, GAS Y MINERÍA
Control, monitoreo y automatización de procesos.
Mantenimientos preventivo y correctivo.
Servicios a boca de pozo y a refinerías.
Construcción y montaje de ductos.
Montajes industriales.
Limpiezas química y mecánica.
Instalaciones eléctricas de media y baja tensión.
Correcciones de corrientes armónicas, del factor de potencia automáticos y manuales.
Tableros y centrales eléctricas.
Sistemas de transferencia automática y manual.


SISTEMAS DE EXTINCIÓN DE INCENDIOS
Equipos de bombeo contra incendio y tuberías subterráneas.
Diseño y montaje de líneas contra incendios.
Rociadores Automáticos (Sprinklers), redes de hidrantes y monitores.
Sistemas de diluvio, de espuma, de extinción a base de gases de CO2, Inergen, FM200, Dynameco.
Detección por radiación de llama, temprana de humos por aspiración y por muestreo de aire.
Detección de gases, mezclas explosivas y de temperatura con sistemas puntuales y lineales.
Instalaciones antiexplosivas.
Voceo y telefonía de emergencia.
Integración entre sistemas hidráulicos y electrónicos.
GESTIÓN DE PROYECTOS
Dirección de proyectos y obras en terrenos inhóspitos.
Pre-, comisionado y puesta en marcha.
Seguimiento de plazos, calidad, costo de contratistas y compras intervinientes en el desarrollo, maximizando rendimientos y optimizando costos para asegurar un producto óptimo.
Ejecución de infraestructura.
Electricidad, tableros
Equipos
Piping
Instrumentación y control


GESTIÓN DE ÁREAS DE LA EMPRESA
Formación y capacitación del personal de planta – desde operarios hasta cuadros superiores – para garantizar alto desempeño en las operaciones.
Asesoramiento y desarrollo en outsorcing.
Desarrollo e implementación de nuevos negocios, planes de factibilidad y análisis de riesgos.
Responsabilidad social empresaria, comunicación institucional y asesoramiento legal.
Estudio de factibilidad para representación de empresas del exterior.

info@integra-ingenieria.com.ar Tel.: +549 11 4746 3438 1644
Guido Spano 4119, Victoria, Buenos Aires